Main Content Main Menu

Temperature & Humidity Sensor

Description

The GW8245/46/47/48 is a new generation of single-chip integrated temperature and relative humidity sensor, which integrates high-sensitivity MEMS humidity-sensitive components on silicon-based CMOS wafers, thereby reducing signal transmission interference, reducing device area and improving product reliability. The GW8245/46/47/48 uses I2C protocol to communicate with the host. Internal Cyclic Redundancy Check (CRC) generator calculates 8- bit checksum and sends to host after each of 16-bit data. Each GW824x series has a unique 32-bit serial number.
GW8245/46/47/48 has a temperature measurement range of -40°C ~ +125°C. The test accuracy in the range of -40°C ~ +125°C is ±0.2°C for GW8245/46/47, ±0.1°C for GW8248. Relative humidity range is 0 ~ 100% with accuracy of ±1.8%RH for GW8245/46/47, ±1.0%RH for GW8248. The GW8245/46/47 has a heater inside of package, which can be used for anti-dew. The GW8245/46/47/48 can be used to process temperature and relative humidity monitoring and control in various applications. The 4-pin dual-flat, no-leads package is suitable for surface mount technology (SMT).

Typical Applications

  • Automotive cabin
  • Industrial control
  • Smart home
  • Consumer electronics
  • Medical devices

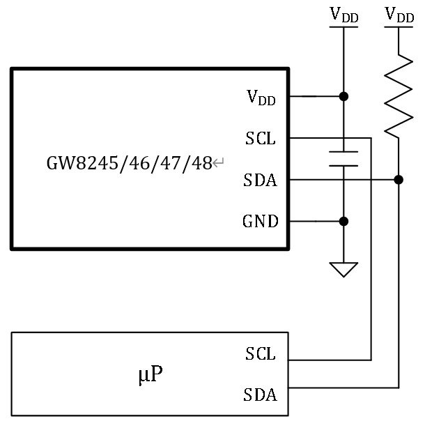
Basic Application Diagram

Features

I2C protocol compatible, up to 1 MHz, with 2 slave addresses
Wide supply voltage range (1.6 V ~ 5.5 V)
Average current: 0.4 μA (1 Hz measurement rate)
Idle current: 0.1 μA
DFN4 package (1.5 mm x 1.5 mm x 0.54 mm)
Typical accuracy, GW8245/46/47
→Relative humidity: ±1.8 %RH
→Temperature: ±0.2 ℃
Typical accuracy, GW8248
→Relative humidity: ±1.0 %RH
→Temperature: ±0.1 ℃
Resolution
→Relative humidity: 0.01 %RH
→Temperature: 0.01 ℃
Power controllable heater
NIST traceability
Support reflow soldering

Block Diagram

Datasheet and Guides

[GW824x]
Datasheet (Rev21)
File Download

Support

For more information about the product, technology, latest version of the document, or your nearest sales office, Please email us

Sample and Buy

Cascode Technologies

B1503, 128, Beobwon-ro, Songpa-gu, Seoul, 05854, Korea

+82-2-527-8933 henry.kim@cascodetech.com

Touchworld

Hyundai Knowledge Industry Center A-322ho, 3, Godeung-ro, Sujeong-gu, Seongnam-si, Gyeonggi-do, 13105, Korea

+82-10-2816-4349 martin.choi@touchworld.co.kr

Farben

Block B, WeiDa Technology Park, No.15, Gaoxin North 6th road, Songpingshan Community, Xili Street, Nanshan District, Shenzhen, China

www.farben.com.cn kelly.xie@farbenelec.com

DAEJIN SEMICONDUCTOR

Rm 1209, 278, Beotkkot-ro, Geumcheon-gu, Seoul

+82 10 6285 8842 jho@semidj.com

Ichicom Smart Technology Limited

Rm 701, Tower B, New Century Business Center, Shixia Beier Street West, Futian District Shenzhen, China

+86-132 6563 1806 edward@ichismart.com